Назначение, особенности и область применения электронасосов типа БЭН аналогичны герметичным электронасосам типа ЦГ, НГ.
По требованию Заказчика электронасосы могут изготавливаться на конкретные условия  эксплуатации в диапазоне:
• подача —  от 1 до 600 м3/ч;
• напор   —  от 10 до 800 м; 
• давление в контуре —  до 100 кгс/см2;
• температура перекачиваемой жидкости — от минус 100 оС до плюс 450 оС.
• плотность перекачиваемой жидкости — до 2500 кг/м3.
 Электронасосы,  как правило, изготавливаются во взрывозащищенном исполнении.
 Монтажное положение электронасосов – горизонтальное или вертикальное. 
 В отличие от электронасосов типа ЦГ, НГ, номенклатура которых является практически неизменной, номенклатура специальных электронасосов типа БЭН постоянно дополняется изделиями, разработанными на различные условия Заказчика (подача, напор, температура, плотность и вязкость перекачиваемой жидкости, материал проточной части и т.д.).
  В перекачиваемой жидкости допускается наличие неабразивных включений размером до 0,2 мм и до 
0,2 % по массе.
Материалы деталей проточной части электронасосов БЭН аналогичны применяемым в насосах ЦГ.
Электронасосы изготавливаются на напряжения: 380, 500, 660В (оговаривается при заказе) и частоту тока 50 Гц .
Более  подробная  информация, включающая графические характеристики, схемы обвязки и управления, описание конструкции, правила монтажа 
и эксплуатации, указана в  эксплуатационной документации на электронасос.
Элестронасосы изготавливаются в соответствии с техническими условиями:
БЭН-ОС: РТ МD 23-05833093-038:2003
БЭН-МС: РТ МD  23-05833093-039:2003
БЭН-ДМС: РТ МD  23-05833093-040:2003
БЭН: РТ МD 23-05933093-032:2009
Пример условного обозначения электронасоса  типа  БЭН:
Электронасос центробежный герметичный 
взрывозащищенный  1БЭН 221-ОС, 
где:  
1 – порядковый номер модернизации;
БЭН – бессальниковый электронасос;
221 – порядковый регистрационный номер;
ОС – одноступенчатый, (МС – многоступенчатый односторонний, ДМС – двусторонний многоступенчатый)
Электронасос центробежный герметичный 
взрывозащищенный  БЭН 221/1, 
где:  
БЭН – бессальниковый электронасос;
221 – порядковый регистрационный номер;
1 – вариант модернизации.
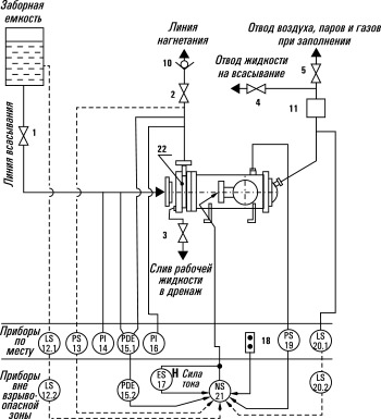
Схема автоматизации общая (на примере БЭН 375/7 - ОС)






ОБОЗНАЧЕНИЕ ЭЛЕКТРОНАСОСА  | 
НОМИНАЛЬНАЯ ПОДАЧА, м3/ч  | 
НАПОР ПРИ НОМИНАЛЬНОЙ ПОДАЧЕ, м  | 
РАБОЧИЙ ИНТЕРВАЛ ПОДАЧ, м3/ч  | 
ДОПУСКАЕМЫЙ КАВИТАЦИОННЫЙ ЗАПАС ПРИ НОМИНАЛЬНОЙ ПОДАЧЕ, м  | 
ДАВЛЕНИЕ В КОНТУРЕ ЭЛЕКТРОНАСОСА, кгс/см2  | 
НОМИНАЛЬНАЯ МОЩНОСТЬ ВСТРОЕННОГО ЭЛЕКТРОДВИГАТЕЛЯ, кВт  | 
ВИД ОХЛАЖДЕНИЯ НАРУЖНОЙ ПОВЕРХНОСТИ СТАТОРА ДВИГАТЕЛЯ – ЖИДКОСТНОЕ (Ж) ИЛИ БЕЗ ОХЛАЖДЕНИЯ (Б/о)  | 
УСЛОВНОЕ ОБОЗНАЧЕНИЕ МАТЕРИАЛА ПРОТОЧНОЙ ЧАСТИ  | 
ДОПУСКАЕМАЯ ТЕМПЕРАТУРА ПЕРЕКАЧИВАЕМОГО ПРОДУКТА, ºС  | 
ПЛОТНОСТЬ, кг/м3  | 
|---|---|---|---|---|---|---|---|---|---|---|
| 1БЭН 9-ОС | 170 | 14 | 100...180 | 2,2 | 4 | 15 | Ж | К | +90 | 1760 | 
| 1БЭН 10-ОС | 100 | 14 | 60-110 | 1,8 | 4 | 11 | Ж | К | +90 | 1760 | 
| 1БЭН 11-ОС | 170 | 14 | 100-180 | 2,2 | 4 | 11 | Ж | К | +90 | 1000 | 
| БЭН 213-МС | 8,5 | 150 | 7-10 | 1,5 | 16 | 15 | Б/о | К,К1 | 40 | 750 | 
| БЭН 213/2-МС | 18 | 150 | 10-15 | 1,9 | 40 | 25 | Ж | К,К1 | 40 | 1100 | 
| БЭН 221/1-ОС | 550 | 62 | 400-570 | 12,0 | 16 | 132 | Ж | К, К1 | -40...40 | 850-810 | 
| 1БЭН 221-ОС | 550 | 75 | 400-570 | 11,0 | 63 | 132 | Ж | К | 100...260 | 960-784 | 
| БЭН 225/1-ОС | 270 | 41 | 250-300 | 5,8 | 16 | 65 | Ж | К | 40 | 1315 | 
| БЭН 225/3-ОС | 230 | 50 | 180-270 | 4,8 | 16 | 55 | Ж | А,К1 | -19...37 | 860 | 
| 1БЭН 233/1-МС | 240 | 225 | 200-280 | 5,8 | 25 | 150 | Ж | А,К1 | 40...45 | 525 | 
| 1БЭН 250/3-МС | 25 | 220 | 10-32 | 1,5 | 40 | 30 | Ж | А,К1 | 40 | 860 | 
| БЭН 252/1-МС | 2,5 | 120 | 1,5-3 | 1,4 | 40 | 7,5 | Б/о | К,К1 | -32 | 1085 | 
| БЭН 252/4-МС | 3 | 120 | 2-4 | 1,6 | 25 | 7,5 | Б/о | К,К1 | -30...40 | 740 | 
| БЭН 257/1-ОС | 70 | 80 | 55-85 | 2,5 | 16 | 22 | Б/о | К,К1 | 33...43 | 560-547 | 
| БЭН 258-ДМС | 6 | 280 | 3-7 | 1,4 | 50 | 18,5 | Ж | К,К1 | 20...70 | 880 | 
| БЭН 259-ДМС | 5 | 210 | 3-6 | 1,4 | 25 | 11 | Б/о | К | -10...30 | 960-680 | 
| БЭН 259/1-ДМС | 5 | 210 | 3-7 | 1,2 | 25 | 15 | Ж | К,К1 | До 100 | 1000 | 
| БЭН 259/3-ДМС | 5 | 160 | 3,5-6 | 1,1 | 25 | 7,5 | Б/о | А,К1 | 40 | 630 | 
| БЭН 262-МС | 50 | 380 | 20-55 | 2,4 | 40 | 75 | Ж | А,К1 | 40 | 600 | 
| БЭН 264/1-МС | 20 | 300 | 10-25 | 2,5 | 40 | 75 | Ж | К | 20 | 1200 | 
| БЭН 266-МС | 40 | 280 | 20-56 | 2,2 | 40 | 55 | Ж | К,К1 | 0...30 | 587-552 | 
| БЭН 273-ОС | 25 | 45 | 18-32 | 1,7 | 40 | 5,5 | Б/о | К | -100 | 400 | 
| БЭН 276-МС | 200 | 125 | 150-250 | 4,0 | 40 | 110 | Ж | К,К1 | 60 | 900 | 
| БЭН 276/3-МС | 200 | 130 | 120-240 | 4,0 | 16 | 90 | Ж | А,К1 | -10...45 | 649-593 | 
| 1БЭН 277-ОС | 300 | 100 | 100-320 | 5,5 | 40 | 75 | Ж | К,К1 | 40 | 600 | 
| 2БЭН 277-ОС | 300 | 100 | 100-320 | 5,5 | 40 | 90 | Ж | К,К1 | 40 | 600 | 
| БЭН 278-МС | 6,3 | 75 | 2-8 | 1,2 | 16 | 5,5 | Б/о | К | -25...25 | 1350 | 
| БЭН 280/6-МС | 25 | 205 | 5-28 | 1,5 | 25 | 41 | Ж | К,К1 | 35...50 | 1100 | 
| БЭН 281-МС | 60 | 170 | 30-65 | 2,8 | 25 | 41 | Ж | А,К1 | 50 | 635 | 
| БЭН 281/1-МС | 55 | 150 | 20-75 | 2,5 | 25 | 33 | Ж | А,К1 | 20...75 | 730-700 | 
| БЭН 283-ОС | 150 | 82 | 130-170 | 3,8 | 50 | 45 | Ж | К | -43...39 | 490 | 
| БЭН 283/4-ОС | 150 | 80 | 120-180 | 3,9 | 25 | 45 | Б/о | А,К1 | -40...40 | 860-840 | 
| БЭН 284/1-МС | 60 | 248 | 35-65 | 2,2 | 40 | 55 | Ж | А,К1 | -40...40 | 600-540 | 
| БЭН 284/2-МС | 100 | 270 | 70-110 | 2,0 | 50 | 90 | Ж | К | -30...30 | 650 | 
| БЭН 286/4-МС | 8 | 110 | 4-12 | 1,8 | 16 | 7,5 | Ж | К, К1 | 66...70 | 800 | 
| 1БЭН 286-МС | 12,5 | 100 | 6-18 | 1,6 | 16 | 9 | Ж | К, К1 | 90...100 | 900-848 | 
| 1БЭН 286/1-МС | 12,5 | 100 | 6-18 | 1,7 | 16 | 9 | Ж | А, К1 | 325 | 750 | 
| 1БЭН 286/4-МС | 6 | 90 | 4-8 | 1,6 | 16 | 7,5 | Ж | К, К1 | 66...70 | 800 | 
| 1БЭН 287-МС | 50 | 200 | 14-60 | 2,9 | 40 | 41 | Ж | К, К1 | 30...35 | 623-575 | 
| 1БЭН 287/1-МС | 40 | 200 | 30-454 | 3 | 40 | 33 | Б/о | К,К1 | -30...50 | 559-518 | 
| БЭН 293-ОС | 100 | 70 | 80-120 | 3,3 | 16 | 33 | Ж | А, К1 | 60...130 | 839-816 | 
| БЭН 294-МС | 32 | 155 | 16-36 | 2,3 | 25 | 30 | Ж | К, Е | 195 | 900 | 
| БЭН 295-ОС | 32 | 94 | 15-40 | 2,2 | 45 | 18,5 | Ж | К, К1 | 250 | 750 | 
| 1БЭН 295-ОС | 40 | 90 | 25-50 | 2,6 | 16 | 22 | Ж | К,К1 | 130 | 700 | 
| БЭН 296/1-МС | 120 | 220 | 90-130 | 3,0 | 25 | 90 | Ж | А, К1 | 45 | 540 | 
| БЭН 296/2-МС | 130 | 170 | 120-150 | 3,5 | 25 | 75 | Ж | А, К1 | 40 | 600 | 
| БЭН 296/4-МС | 120 | 160 | 90-130 | 4,5 | 40 | 75 | Ж | К | 40 | 600 | 
| БЭН 297-ДМС | 6 | 280 | 3-8 | 1,49 | 40 | 22 | Б/о | К, К1 | 50 | 600-750 | 
| 1БЭН 297-ДМС | 5 | 270 | 3-8 | 0,9 | 40 | 15 | Б/о | К*,К1 | 50 | 870 | 
| БЭН 300-ОС | 15 | 60 | 12-20 | 1,2 | 16 | 7,5 | Б/о | К | 40 | 855 | 
| БЭН 301-МС | 30 | 400 | 20-50 | 1,7 | 40 | 75 | Ж | К, К1 | 25 | 580 | 
| 1БЭН 303-ОС | 40 | 90 | 35-45 | 2,2 | 16 | 25 | Б/о | К, К1 | 85 | 740 | 
| БЭН 304-ОС | 40 | 100 | 30-50 | 2,4 | 40 | 30 | Ж | К, К1 | 59 | 862 | 
| БЭН 304/4-ОС | 40 | 110 | 30-77 | 2,5 | 25 | 30 | Б/о | К,К1 | 40 | 758,4 | 
| БЭН 305-ОС | 50 | 50 | 30-60 | 2,3 | 16 | 15 | Б/о | А, К1 | 89 | 700 | 
| БЭН 306-ОС | 75 | 75 | 40-90 | 2,8 | 16 | 22 | Б/о | К, К1 | 40 | 560 | 
| БЭН 307-МС | 10 | 220 | 5-24 | 2,5 | 40 | 30 | Ж | К | 40 | 700 | 
| БЭН 309-МС | 15 | 130 | 11-17 | 1,4 | 16 | 15 | Б/о | К,К1 | 14...25 | 621-614 | 
| БЭН 313-ОС | 12 | 60 | 9-14 | 21,7 | 16 | 5,5 | Б/о | К | 35 | 790 | 
| БЭН 313/3-ОС | 15 | 65 | 12-18 | 1,8 | 16 | 7,5 | Б/о | К,К1 | 250 | 820 | 
| БЭН 316-ОС | 120 | 50 | 90-130 | 3,8 | 16 | 22 | Б/о | К | 35 | 600 | 
| БЭН 316/1-ОС | 100 | 45 | 70-110 | 3,8 | 25 | 18,5 | Б/о | К,К1 | -43...39 | 594-478 | 
| БЭН 316/5-ОС | 80 | 50 | 50-120 | 2,6 | 50 | 18,5 | Б/о | К | -47...38 | 669-571 | 
| БЭН 316/6-ОС | 120 | 40 | 90-130 | 3,7 | 16 | 37 | Ж | К,К1 | 39 | 1310 | 
| 1БЭН 316-ОС | 100 | 50 | 70-110 | 3,8 | 16 | 22 | Ж | А, К1 | 50 | 800 | 
| 1БЭН 316/1-ОС | 100 | 40 | 60-110 | 3,8 | 40 | 25 | Ж | К | 40 | 1100 | 
| БЭН 317-ОС | 15 | 70 | 12-17 | 2,0 | 16 | 9 | Б/о | К,К1 | 40 | 840 | 
| БЭН 322/1-ОС | 100 | 130 | 65-150 | 2,5 | 25 | 65 | Ж | К | 40 | 557 | 
| БЭН 329-ОС | 190 | 160 | 95-200 | 6 | 16 | 110 | Ж | К | 50 | 615 | 
| БЭН 332/2-МС | 48 | 265 | 35-52 | 1,8 | 40 | 45 | Ж | А, К1 | 38,3 | 465 | 
| БЭН 332/4-МС | 50 | 300 | 30-55 | 2,0 | 40 | 55 | Ж | К,К1 | 10...30 | 562,4 | 
| БЭН 333-ОС | 8 | 65 | 6-12 | 1,5 | 16 | 9 | Ж | К,К1 | 105 | 1150 | 
| 1БЭН 337/2-МС | 200 | 200 | 150-250 | 4,5 | 25 | 132 | Ж | А, К1 | 45...50 | 585 | 
| БЭН 339-ОС | 30 | 110 | 25-32 | 2,4 | 16 | 22 | Б/о | К | -40...40 | 792 | 
| 1БЭН 339-ОС | 12 | 110 | 8-20 | 1,3 | 16 | 18,5 | Б/о | К | 45 | 992 | 
| БЭН 339/3-МС | 12 | 100 | 8-15 | 1,2 | 16 | 9 | Б/о | А, К1 | 40 | 740 | 
| БЭН 347-ОС | 160 | 185 | 60-180 | 5,7 | 25 | 110 | Ж | А,К1 | -10...10 | 637 | 
| БЭН 348-ДМС | 6 | 310 | 3-8 | 1,9 | 40 | 15 | Б/о | К, К1 | 40 | 610 | 
| БЭН 348/2-МС | 10 | 180 | 8-13 | 1,7 | 40 | 11 | Б/о | К,К1 | 15 | 550 | 
| БЭН 350-ОС | 8 | 45 | 6-9 | 2,0 | 16 | 4 | Ж | А, К1 | 180 | 800 | 
| БЭН 350/1-ОС | 6,3 | 50 | 5-9 | 1,6 | 16 | 4 | Ж | А,К1 | 300 | 850 | 
| БЭН 353-ДМС | 25 | 320 | 7-30 | 1,8 | 40 | 45 | Б/о | К, К1 | -40...28 | 600-510 | 
| БЭН 354-ДМС | 50 | 450 | 15-60 | 2,5 | 40 | 110 | Ж | К, К1 | 20...65 | 700 | 
| 1БЭН 356-ОС | 50 | 125 | 25-70 | 2,0 | 50 | 25 | Ж | А, К1 | -30...60 | 610 | 
| БЭН 357/2-ОС | 50 | 43 | 30-60 | 2,7 | 16 | 18,5 | Ж | К,К1 | 39 | 1310 | 
| БЭН 357/3-ОС | 50 | 50 | 40-60 | 2,3 | 16 | 11 | Б/о | А,К1 | 20 | 695,5 | 
| 1БЭН 358-ОС | 35 | 135 | 20-45 | 2,0 | 25 | 30 | Ж | К | 80 | 800 | 
| БЭН 364-ОС | 70 | 25 | 60-80 | 2,8 | 25 | 15 | Ж | К | 40...50 | 1280-1150 | 
| БЭН 365-ОС | 50 | 120 | 25-70 | 2,2 | 50 | 41 | Ж | А, К1 | -40...100 | 1000 | 
| БЭН 366-МС | 25 | 102 | 15-37,5 | 1,8 | 16 | 11 | Ж | К,К1 | 140 | 698 | 
| БЭН 369-ОС | 50 | 120 | 25-70 | 2,2 | 16 | 37 | Ж | К,Е | 145 | 1004 | 
| БЭН 370-МС | 15 | 130 | 3,5-18 | 2,3 | 40 | 18,5 | Ж | К, Е | 60 | 1006 | 
| БЭН 370/2-МС | 12 | 160 | 7-18 | 1,5 | 25 | 18,5 | Б/о | К,К1 | -20...30 | 700 | 
| БЭН 370/4-МС | 13 | 150 | 7-20 | 1,5 | 25 | 15 | Ж | А,К1 | 40...42 | 728 | 
| БЭН 371/2-МС | 30 | 180 | 15-35 | 2,0 | 40 | 45 | Б/о | К,Е | -20...35 | 983-890 | 
| БЭН 371/3-МС | 35 | 160 | 25-45 | 2,9 | 16 | 30 | Б/о | А,К1 | 20 | 621 | 
| БЭН 375-ОС | 100 | 98 | 50-110 | 2,8 | 16 | 45 | Ж | К,К1 | 40 | 860-890 | 
| БЭН 375/4-ОС | 120 | 80 | 95-125 | 3,0 | 40 | 25 | Ж | К | 80 | 476 | 
| БЭН 375/5-ОС | 90 | 85 | 50-110 | 3,0 | 50 | 37 | Ж | К | 35 | 932 | 
| БЭН 375/7-ОС | 90 | 60 | 40-100 | 3,5 | 16 | 22 | Б/о | К,К1 | 40...50 | 600 | 
| БЭН 375/8-ОС | 90 | 60 | 40-100 | 3,5 | 16 | 30 | Б/о | К,К1 | 40...50 | 800 | 
| 1БЭН 375-ОС | 90 | 85 | 70-100 | 2,8 | 25 | 30 | Б/о | К | 45 | 530 | 
| БЭН 378/1-ДМС | 7,5 | 300 | 3-9 | 1,3 | 40 | 15 | Б/о | К | -20...40 | 546 | 
| БЭН 384-ОС | 20 | 50 | 12-32 | 2,0 | 16 | 7,5 | Ж | К | 35...50 | 900 | 
| БЭН 385-МС | 3,0 | 140 | 1,5-3,2 | 1,6 | 25 | 5,5 | Б/о | К,К1 | 5...65 | 719 | 
| 2БЭН 385/3-МС | 1,4 | 100 | 0,3-2,0 | 2,0 | 16 | 4 | Б/о | К | 10...60 | 880 | 
| 1БЭН 386-ДМС | 7 | 620 | 5-9 | 1,9 | 55 | 55 | Ж | К | 40 | 850 | 
| БЭН 388-ДМС | 6 | 400 | 4-7 | 1,9 | 50 | 33 | Ж | К, К1 | 40...120 | 920 | 
| БЭН 388/2-ДМС | 6 | 420 | 4-8 | 1,8 | 45 | 37 | Ж | К | 40 | 1013 | 
| БЭН 389-МС | 12,5 | 200 | 9-16 | 1,8 | 40 | 22 | Б/о | А, К1 | 40 | 540 | 
| БЭН 389/5-МС | 10 | 200 | 7-13 | 1,8 | 40 | 15 | Ж | К | 59 | 594 | 
| 1БЭН 389-МС | 12,5 | 200 | 9-16 | 1,7 | 40 | 22 | Б/о | А,К1 | 40 | 600 | 
| БЭН 392/2-МС | 15 | 220 | 10-20 | 2,5 | 40 | 25 | Ж | К, К1 | 90 | 545 | 
| БЭН 400-МС | 40 | 400 | 25-50 | 2,2 | 40 | 75 | Ж | К, К1 | -10...40 | 540 | 
| БЭН 401-ДМС | 12,5 | 410 | 6-18 | 1,2 | 40 | 37 | Б/о | К | -103 | 580 | 
| БЭН 402-ОС | 50 | 95 | 36-54 | 2,5 | 16 | 22 | Ж | А, К1 | 250 | 727 | 
| БЭН 403-ОС | 22 | 80 | 16-27 | 1,8 | 25 | 18,5 | Ж | К | 50 | 1350 | 
| БЭН 404-ОС | 300 | 100 | 100-320 | 5,5 | 16 | 110 | Ж | К | -40...40 | 780 | 
| БЭН 406-МС | 2 | 55 | 0,5-3,0 | 2,0 | 40 | 2,2 | Б/о | А, К1 | -8...-4 | 500 | 
| БЭН 406/1-МС | 2 | 55 | 1-3 | 1,6 | 25 | 3 | Б/о | К | -30 | 1076 | 
| БЭН 406/3-МС | 3 | 72 | 1-4,5 | 2,0 | 16 | 3 | Б/о | К ,К1 | 35...40 | 722 | 
| БЭН 407-ДМС | 4 | 200 | 1,5-5,0 | 1,5 | 40 | 11 | Б/о | А, К1 | 13...32 | 600 | 
| БЭН 407/1-ДМС | 4 | 200 | 1,5-6,0 | 1,9 | 40 | 11 | Б/о | К, К1 | 5...40 | 575 | 
| БЭН 408-ДМС | 4 | 365 | 1,5-5,0 | 1,5 | 40 | 22 | Ж | А, К1 | 25...45 | 600 | 
| БЭН 408/2-ДМС | 4 | 370 | 1,5-6,0 | 1,9 | 40 | 25 | Ж | К, К1 | 5...40 | 575 | 
| БЭН 409-ДМС | 4 | 290 | 1,5-5,0 | 1,5 | 40 | 15 | Б/о | А, К1 | -30 | 600 | 
| БЭН 409/1-ОС | 40 | 140 | 30-55 | 2,0 | 40 | 30 | Ж | К | -40...100 | 600 | 
| БЭН 412-ОС | 6,3 | 20 | 2-9,5 | 1,5 | 16 | 4 | Б/о | К, Е | 10...20 | 1835-1824 | 
| БЭН 415/1-ОС | 220 | 45 | 190-240 | 5,2 | 16 | 37 | Б/о | К | 35 | 780 | 
| БЭН 417-ОС | 55 | 130 | 25-78 | 2,5 | 40 | 37 | Ж | А, К1 | 50 | 700 | 
| БЭН 418-ОС | 340 | 75 | 300-365 | 6,5 | 16 | 110 | Ж | К | 165 | 960 | 
| БЭН 419-ОС | 450 | 65 | 420-470 | 10 | 16 | 110 | Ж | К | 140 | 810 | 
| БЭН 420-ОС | 500 | 75 | 470-520 | 10,5 | 16 | 132 | Ж | А, К | 80 | 760 | 
| 1БЭН 421-ОС | 6 | 50 | 4 -7 | 2,1 | 16 | 7,5 | Б/о | А, К1 | 115 | 800 | 
| БЭН 422-ОС | 40 | 50 | 25-70 | 2,5 | 16 | 11 | Б/о | А, К1К | 0...40 | 900-770 | 
| БЭН 431-ОС | 12,5 | 60 | 9-14 | 1,9 | 16 | 15 | Б/о | К,Е | 40 | 1900 | 
| БЭН 441-ОС | 20 | 120 | 10-30 | 1,3 | 16 | 30 | Ж | К,Е | 50...60 | 1280 | 
| БЭН 441/2-ОС | 25 | 122 | 14-30 | 2,3 | 16 | 22 | Ж | А,К1 | 91 | 694 | 
| БЭН 441/3-ОС | 20 | 90 | 15-25 | 3,0 | 25 | 18,5 | Б/о | К | 40 | 900 | 
| БЭН 441/9-ОС | 16 | 125 | 14-20 | 1,6 | 16 | 22 | Ж | К,К1 | 350...250 | 920-820 | 
| БЭН 445-МС | 0,8 | 85 | 0,4-1,3 | 1,8 | 16 | 4 | Б/о | К | 40 | 800 | 
| БЭН 446-ОС | 10 | 85 | 6-12 | 1,6 | 16 | 9 | Б/о | К | 40 | 998 | 
| БЭН 459/1-ДМС | 12 | 780 | 10-15 | 1,6 | 90 | 150 | Ж | К,К1 | 50 | 1100 | 
| БЭН 459/2-ДМС | 18 | 750 | 10-20 | 2 | 63 | 132 | Ж | К,К1 | 20 | 820 | 
| БЭН 459/3-ДМС | 15 | 820 | 10-16 | 2 | 55 | 90 | Ж | К,К1 | 10...20 | 650 | 
| БЭН 461-ОС | 50 | 80 | 30-70 | 2,2 | 25 | 18,5 | Б/о | К, | 40 | 648-672 | 
| БЭН 462-МС | 145 | 240 | 100-180 | 4,5 | 40 | 110 | Ж | К,К1 | 210...215 | 520-517 | 
| БЭН 466/1-МС | 22 | 120 | 15-25 | 1,8 | 25 | 15 | Б/о | К,К1 | -40...39 | 594,5 | 
| БЭН 466/2-МС | 20 | 115 | 10-25 | 2,0 | 16 | 11 | Ж | К,К1 | 50 | 545 | 
| БЭН 478-МС | 1,5 | 55 | 0,4-2,5 | 1,7 | 16 | 2,2 | Ж | А,К1 | 121 | 594 | 
| 1БЭН 483/2-ДМС | 55 | 670 | 40-60 | 2,5 | 50 | 150 | Ж | К, К1 | 40 | 628 | 
| БЭН 487-ОС | 220 | 200 | 170-230 | 6,2 | 25 | 150 | Ж | А, К1 | 200 | 750 | 
| БЭН 488-ОС | 2,1 | 42 | 1-3 | 1,8 | 16 | 2,2 | Б/о | К | 36 | 1062 | 
| БЭН 488/1-МС | 2,5 | 54 | 1,25-3,0 | 1,4 | 16 | 2,2 | Б/о | К | 43 | 600 | 
| БЭН 488/3-ОС | 3 | 50 | 2-5 | 1,8 | 16 | 3 | Ж | К | 60 | 1107 | 
| БЭН 488/4-ОС | 1,5 | 42 | 0,5-1,5 | 1,5 | 40 | 1,5 | Б/о | Е | 40 | 993 | 
| 1БЭН 488-ОС | 2,1 | 42 | 1-3 | 1,6 | 16 | 2,2 | Б/о | К | 30 | 790 | 
| БЭН 514-ОС | 7,5 | 45 | 6-9 | 0,9 | 16 | 3,0 | Б/о | К | 75 | 1000 | 
| БЭН 515-ОС | 95 | 125 | 80-110 | 2,7 | 16 | 65 | Ж | К | 75 | 1000 | 
| БЭН 516-ОС | 100 | 54 | 80-120 | 2,8 | 16 | 30 | Ж | А, К1 | 10...15 | 866-870 | 
| 1БЭН 516-ОС | 95 | 54 | 70-110 | 2,5 | 16 | 30 | Ж | К | 75 | 1000 | 
| БЭН 517-ОС | 7 | 75 | 6-10 | 0,7 | 16 | 7,5 | Ж | К | 100 | 850 | 
| БЭН 517/3-МС | 6,3 | 60 | 3-8 | 1,9 | 16 | 4 | Б/о | К, Е | 40 | 1100 | 
| БЭН 518-ОС | 24 | 70 | 18-30 | 1,3 | 50 | 11 | Ж | К | 150 | 930 | 
| БЭН 519-ОС | 97 | 48 | 70-110 | 3,0 | 16 | 22 | Ж | К | 150 | 940 | 
| БЭН 530-ОС | 6 | 10 | 4-7,5 | 1 | 40 | 1,1 | Б/о | К | 40 | 993 | 
| БЭН 539-ОС | 70 | 115 | 50-90 | 2,2 | 16 | 37 | Б/о | К | 40 | 620 | 
| БЭН 540-ДМС | 25 | 600 | 10-28 | 1,9 | 58 | 110 | Ж | К,К1 | -30...30 | 850-815 | 
| БЭН 540/1-ДМС | 20 | 700 | 8-22 | 1,9 | 70 | 132 | Ж | К,К1 | 60 | 960 | 
| БЭН 805-ДМС | 12,5 | 400 | 8-15 | 1,6 | 50 | 55 | Ж | К, К1 | 50 | 1000 | 
| БЭН 805/3-ДМС | 12 | 430 | 10-14 | 1,5 | 50 | 55 | Ж | К, К1 | 30...40 | 1003-996 | 
| БЭН 806-ДМС | 22 | 600 | 18-26 | 1,8 | 50 | 75 | Ж | К, К1 | -40...40 | 650 | 
| БЭН 808-МС | 60 | 250 | 30-70 | 3,0 | 40 | 75 | Б/о | К, К1 | -25 | 700 | 
| БЭН 812-МС | 150 | 140 | 60-175 | 3,5 | 40 | 90 | Ж | К, К1 | 35...80 | 750-650 | 
| БЭН 812/1-МС | 150 | 120 | 100-170 | 3,5 | 16 | 65 | Ж | А, К1 | 40...50 | 542 | 
| БЭН 812/7-МС | 150 | 130 | 80-200 | 3,3 | 40 | 65 | Ж | К,К1 | 5...25 | 630-600 | 
| БЭН 815-ОС | 6,3 | 50 | 3,5-8 | 1,4 | 16 | 3 | Б/о | К | 86 | 540 | 
| БЭН 820-ОС | 5 | 50 | 3-7 | 1,5 | 16 | 5,5 | Ж | К | 110...200 | 950 | 
| БЭН 820/2-ОС | 5 | 50 | 3-7 | 2,5 | 16 | 4,0 | Ж | А,К1 | 330 | 780 | 
| БЭН 822-ОС | 400 | 75 | 380-420 | 8,5 | 16 | 110 | Ж | А, К1 | 340 | 670 | 
| БЭН 823-ОС | 50 | 87 | 30-70 | 2,5 | 40 | 22 | Ж | А, К1 | 0...400 | 954-550 | 
| БЭН 824-МС | 120 | 250 | 80-140 | 3,0 | 50 | 132 | Ж | К, Е | 50...80 | 790 | 
| 1БЭН 824-МС | 120 | 250 | 80-140 | 3,0 | 50 | 110 | Ж | А,К1 | 60...70 | 700 | 
| БЭН 825-ДМС | 6 | 204 | 3,5-8 | 2,5 | 50 | 15 | Ж | К, К1 | -40...80 | 1000 | 
| БЭН 826-ДМС | 6 | 290 | 3,5-8 | 2,5 | 50 | 22 | Ж | К, К1 | -40...80 | 1000 | 
| БЭН 828-ОС | 12,5 | 50 | 5-15 | 1,5 | 16 | 15 | Ж | К | 25 | 2200 | 
| БЭН 829-ОС | 120 | 55 | 55-130 | 3,3 | 16 | 30 | Ж | А, К1 | 300 | 900 | 
| БЭН 830-ОС | 12,5 | 80 | 8-15 | 1,5 | 16 | 9 | Ж | А, К1 | 360 | 850 | 
| БЭН 845-МС | 6,3 | 150 | 3-10 | 1,6 | 40 | 7,5 | Ж | А, К1 | 200 | 700 | 
| БЭН 845/1-МС | 5 | 335 | 4 -7 | 2,5 | 40 | 37 | Ж | А,К1 | 40...180 | 680 | 
| БЭН 845/2-ОС | 12 | 114 | 10-15 | 1,7 | 16 | 15 | Ж | К | 325 | 900 | 
| БЭН 845/3-МС | 6 | 200 | 4 -7 | 2,0 | 25 | 25 | Ж | А,К1 | 360...400 | 870 | 
| БЭН 845/5-ОС | 25 | 120 | 15-28 | 3,5 | 16 | 22 | Ж | К | 216...335 | 773-709 | 
| БЭН 845/6-ОС | 10 | 120 | 8-14 | 2,5 | 16 | 15 | Ж | К | 273 | 714 | 
| БЭН 856-МС | 80 | 400 | 60-90 | 2,8 | 50 | 180 | Ж | К, К1 | 50 | 1020 | 
| БЭН 858-МС | 60 | 290 | 40-70 | 3,2 | 40 | 110 | Ж | К,К1 | 145 | 1016 | 
| БЭН 860-ДМС | 8 | 420 | 2,5-10 | 1,8 | 50 | 45 | Ж | А, К1 | -30...40 | 860-500 | 
| БЭН 863-МС | 3 | 48 | 2-4 | 2,0 | 16 | 2,2 | Ж | К | 120 | 863 | 
| БЭН 865/1-МС | 4 | 70 | 2-5 | 2,2 | 16 | 4 | Ж | А,К1 | 250...360 | 810-920 | 
| БЭН 866-ОС | 60 | 105 | 35-65 | 3,0 | 16 | 30 | Ж | К,К1 | 300...190 | 755-772 | 
| БЭН 867/1-ОС | 100 | 120 | 65-150 | 3,3 | 25 | 55 | Ж | А,К1 | 5...35 | 565-535 | 
| БЭН 867/2-ОС | 100 | 110 | 80-125 | 3,0 | 25 | 45 | Ж | К,К1 | 35...50 | 720-545 | 
| БЭН 870-МС | 25 | 180 | 20-30 | 1,9 | 40 | 22 | Б/о | К | 20...25 | 621-614 | 
| БЭН 871-МС | 110 | 280 | 100-120 | 4,3 | 40 | 90 | Ж | К,К1 | 0...40 | 570-530 | 
| БЭН 871/4-МС | 110 | 280 | 100-130 | 4,3 | 40 | 110 | Ж | К,К1 | 20...40 | 530 | 
| БЭН 872-ОС | 450 | 67 | 420-470 | 9,3 | 16 | 110 | Ж | А, К1 | 70...100 | 840 | 
| БЭН 874-ОС | 50 | 136 | 30-70 | 2,4 | 40 | 30 | Ж | К,К1 | 50 | 624 | 
| БЭН 880-МС | 40 | 385 | 20-50 | 2,2 | 40 | 65 | Ж | А, К1 | -10...45 | 560-545 | 
| БЭН 887 -МС | 6 | 135 | 3-8 | 1,9 | 40 | 9 | Б/о | К | 20...40 | 886 | 
| БЭН 887/1-МС | 6 | 120 | 4,5-7 | 1,6 | 16 | 5,5 | Ж | К,К1 | 30...80 | 504 | 
| БЭН 887/2-МС | 6,5 | 150 | 4-8 | 1,1 | 16 | 11 | Б/о | К,К1 | 20 | 900 | 
| БЭН 887/3-МС | 6,3 | 130 | 4-7 | 1,2 | 16 | 7,5 | Б/о | К | 0...35 | 720 | 
| БЭН 889-МС | 4 | 86 | 2,5-5 | 1,6 | 40 | 4 | Ж | К,К1 | 264 | 727 | 
| БЭН 891-МС | 6,3 | 70 | 3-9 | 1,4 | 16 | 4 | Ж | К | 40...100 | 850 | 
| БЭН 892-МС | 2 | 50 | 0,5-2,5 | 2,3 | 16 | 2,2 | Ж | К,К1 | 343 | 750 | 
| БЭН 895-ОС | 2 | 35 | 1-3 | 1,8 | 16 | 1,1 | Б/о | К | 20...40 | 866 | 
| БЭН 897-МС | 3,2 | 90 | 2-4 | 1,6 | 16 | 4 | Б/о | К | 40...50 | 1000 | 
| БЭН 899-МС | 1,5 | 85 | 0,5-2 | 1,4 | 16 | 3 | Б/о | А, К1 | 60 | 813 | 
| БЭН 902-ОС | 8,5 | 76 | 6-11 | 1,8 | 16 | 5,5 | Ж | А, К1 | 270 | 660 | 
| БЭН 905/1-МС | 12,5 | 100 | 6-14 | 1,4 | 25 | 7,5 | Б/о | К,К1 | -43...41 | 560 | 
| БЭН 907-МС | 60 | 250 | 30-80 | 3,0 | 40 | 65 | Ж | А, К1 | 30 | 560 | 
| БЭН 907/4-МС | 70 | 230 | 40-80 | 3,0 | 40 | 55 | Ж | А, К1 | 25...40 | 505-477 | 
| БЭН 913/2-МС | 60 | 240 | 40-76 | 3 | 40 | 55 | Ж | К | 45 | 458 | 
| БЭН 916/1-ОС | 200 | 50 | 150-220 | 4,8 | 50 | 45 | Ж | К,Е | 20...35 | 1048 | 
| БЭН 923/3-МС | 20 | 160 | 8-24 | 1,8 | 16 | 18,5 | Б/о | К,К1 | 15 | 580 | 
| БЭН 926/1-МС | 90 | 250 | 50-110 | 3,2 | 40 | 75 | Б/о | К | -56 | 573 | 
| БЭН 931-ДМС | 40 | 540 | 30-50 | 1.8 | 50 | 110 | Ж | А, К1 | 70 | 611 | 
| 1БЭН 931-ДМС | 28 | 550 | 24-32 | 2,2 | 40 | 75 | Ж | А, К1 | 99 | 596 | 
| БЭН 933-МС | 130 | 320 | 100-150 | 4,5 | 40 | 150 | Б/о | К, К1 | -32...-20 | 700 | 
| БЭН 936-ОС | 12,5 | 50 | 3,5-15 | 1,5 | 16 | 5,5 | Ж | К | 40...200 | 1200 | 
| БЭН 941-ОС | 55 | 100 | 50-65 | 2,3 | 16 | 25 | Б/о | А, К1 | 40 | 628 | 
| БЭН 946-МС | 2 | 50 | 0,5-3,0 | 1,5 | 16 | 2,2 | Б/о | К | -40...40 | 806 | 
| БЭН 949-ОС | 6,3 | 32 | 3-8 | 1,5 | 63 | 3 | Б/о | К | 3...45 | 910-850 | 
| БЭН 953-ДМС | 3,2 | 120 | 2-4,5 | 1,6 | 16 | 5,5 | Ж | А, К1 | -30...100 | 800 | 
| БЭН 957-ДМС | 6 | 290 | 4-7 | 1,3 | 40 | 25 | Ж | К, К1 | 104 | 955 | 
| БЭН 958-ДМС | 3.2 | 195 | 1,5-5,0 | 1,6 | 40 | 5,5 | Б/о | А, К1 | -20...40 | 580 | 
| БЭН 958/1-ДМС | 2,5 | 204 | 1,5-3,5 | 1,7 | 40 | 7,5 | Ж | К,К1 | -40...100 | 640 | 
| БЭН 959-ОС | 7 | 40 | 3-8,5 | 2,5 | 16 | 3 | Ж | К | 116 | 759 | 
| БЭН 960-ОС | 25 | 50 | 15-35 | 2,1 | 16 | 15 | Б/о | К,Е | -30...30 | 1830 | 
| БЭН 961/1-ОС | 7 | 27 | 2,5-9 | 1,6 | 16 | 2,2 | Б/о | К | 55 | 1050 | 
| БЭН 962-ОС | 2,5 | 30 | 1,4-3 | 1,7 | 16 | 1,1 | Ж | А,К1 | 120...160 | 931-867 | 
| БЭН 964-ДМС | 60 | 500 | 25-80 | 2,4 | 40 | 132 | Ж | А,К1 | -30...30 | 600 | 
| БЭН 964/3-ДМС | 50 | 500 | 15-65 | 2,3 | 40 | 110 | Б/о | К | -104...-98 | 563 | 
| БЭН 965-ОС | 2,4 | 25 | 1,5-2,8 | 2,4 | 16 | 1,1 | Ж | К,Е | 150 | 1005 | 
| БЭН 970/1-ОС | 14 | 48 | 10-17 | 1,5 | 25 | 3 | Б/о | А,К1 | 17,2 | 476 | 
| БЭН 974/2-ОС | 1,5 | 50 | 0,5-4 | 1,5 | 16 | 2,2 | Ж | К,К1 | 100...160 | 811-809 | 
| БЭН 974/5-ОС | 3,5 | 50 | 0,5-4 | 1,7 | 16 | 3 | Ж | К,К1 | 350 | 709 | 
| БЭН 975-ОС | 20 | 60 | 14-24 | 1,3 | 16 | 7,5 | Ж | А,К1 | 55 | 780 | 
| БЭН 975/2-ОС | 12 | 90 | 3-20 | 1,7 | 16 | 9 | Ж | К,К1 | -30...30 | 680 | 
| БЭН 986-ОС | 5 | 48 | 3-6 | 1,6 | 16 | 9,0 | Б/о | Е | 0...30 | 1850 | 
| БЭН 989-ДМС | 3 | 160 | 1,5-3,5 | 1,6 | 40 | 5,5 | Б/о | К,Е | 25 | 800 | 
| БЭН 990/2-ОС | 6 | 30 | 2-9 | 1 | 16 | 2,2 | Б/о | К | 20...50 | 990 | 
| БЭН 991/1-МС | 110 | 160 | 80-130 | 3,5 | 25 | 65 | Ж | К | -40...40 | 625 | 
| БЭН 1004/1-МС | 5 | 100 | 3-5,5 | 1,5 | 16 | 5,5 | Б/о | К,К1 | 2...30 | до 970 | 
| БЭН 1006-МС | 6,3 | 100 | 2-9 | 1,5 | 16 | 9 | Ж | А, К1 | 350 | 760 | 
| БЭН 1006/1-МС | 6 | 100 | 2-9 | 1,54 | 16 | 9 | Ж | К,К1 | 320 | 900-950 | 
| 1БЭН 1006-МС | 6,3 | 100 | 2-9 | 1,5 | 16 | 7,5 | Ж | А, К1 | 350 | 760 | 
| БЭН 1008-МС | 120 | 200 | 90-130 | 3,8 | 25 | 90 | Ж | А, К1 | 35 | 665 | 
| БЭН 1008/1-МС | 130 | 130 | 110-140 | 4,5 | 16 | 90 | Ж | А,К1 | 8...40 | 767-723 | 
| БЭН 1009-ОС | 60 | 100 | 30-65 | 2,3 | 16 | 37 | Ж | К | 40...60 | 950 | 
| БЭН 1012/2-МС | 2,5 | 150 | 1-3,5 | 1,5 | 25 | 7,5 | Б/о | К,Е | 40 | 997 | 
| БЭН 1013-МС | 25 | 100 | 18-32 | 1,8 | 16 | 11 | Б/о | К, К1 | -30...30 | 680-615 | 
| БЭН 1013/1-ОС | 20 | 100 | 10-25 | 1,7 | 16 | 11 | Б/о | К | 40...45 | 650-595 | 
| БЭН 1013/2-ОС | 25 | 100 | 20-35 | 2,8 | 25 | 11 | Б/о | К | 50 | 650-595 | 
| БЭН 1015-МС | 100 | 330 | 65-135 | 2,9 | 40 | 110 | Б/о | К | -60...-40 | 545-520 | 
| БЭН 1015/2-МС | 70 | 310 | 60-80 | 3,0 | 40 | 75 | Ж | К,К1 | 55 | 547 | 
| БЭН 1022/1-МС | 13 | 200 | 10-15 | 2,0 | 25 | 30 | Ж | А,К1 | 360...400 | 900 | 
| БЭН 1022/3-МС | 15 | 200 | 10-18 | 2,0 | 25 | 30 | Ж | А,К1 | 450 | 700 | 
| БЭН 1024-МС | 40 | 350 | 30-50 | 2,0 | 50 | 132 | Ж | К, Е | 50...70 | 1194 | 
| БЭН 1024/1-ДМС | 40 | 360 | 20-70 | 2 | 40 | 110 | Ж | К,К1 | 60 | 1011 | 
| БЭН 1025-ОС | 80 | 110 | 45-90 | 2,8 | 16 | 65 | Ж | К,К1 | 40 | 770 | 
| БЭН 1025/4-ОС | 135 | 100 | 60-140 | 3,5 | 16 | 55 | Ж | К,К1 | 40 | 600 | 
| БЭН 1036-МС | 35 | 410 | 20-42 | 1,8 | 40 | 90 | Ж | К,К1 | 20...60 | 800 | 
| БЭН 1048-ОС | 80 | 80 | 70-90 | 2,4 | 16 | 33 | Б/о | К | 40 | 870 | 
| БЭН 1049-ОС | 40 | 120 | 30-50 | 1,8 | 16 | 25 | Ж | К,К1 | 50 | 544 | 
| БЭН 1049/1-ОС | 35 | 125 | 18-40 | 1,9 | 16 | 25 | Б/о | А,К1 | 50 | 552 | 
| БЭН 1052/2-МС | 60 | 200 | 50-70 | 2,6 | 25 | 55 | Ж | К,К1 | 190 | 475 | 
| БЭН 1055/1-ОС | 50 | 80 | 35-65 | 2,2 | 40 | 15 | Б/о | К | -95 | 350 | 
| БЭН 1055/2-ОС | 50 | 80 | 24-75 | 2,2 | 40 | 15 | Б/о | К | -27...-86 | 453 | 
| БЭН 1055/6-ОС | 57 | 70 | 25-75 | 1,5 | 16 | 25 | Ж | К,К1 | 130 | 1025 | 
| БЭН 1057/3-МС | 10 | 115 | 6-12 | 2,0 | 16 | 11 | Ж | К,К1 | 50 | 527 | 
| БЭН 1057/4-МС | 10 | 120 | 8-12 | 0,9 | 25 | 11 | Ж | К,К1 | 20...40 | 804 | 
| БЭН 1060-ОС | 250 | 45 | 220-260 | 4,5 | 48 | 55 | Ж | К | 200...250 | 865-799 | 
| БЭН 1064/2-МС | 25 | 125 | 15-30 | 1,9 | 16 | 22 | Ж | К | 100 | 901 | 
| БЭН 1064/3-МС | 20 | 160 | 15-28 | 1,8 | 16 | 30 | Б/о | К,К1 | -10...10 | 850-800 | 
| БЭН 1066-ОС | 250 | 110 | 230-280 | 5,5 | 16 | 75 | Ж | А,К1 | -30...40 | 550 | 
| БЭН 1070-МС | 20 | 100 | 10-25 | 1,3 | 16 | 15 | Ж | К | До 200 | 850 | 
| БЭН 1072/2-МС | 50 | 160 | 20-75 | 2,5 | 25 | 30 | Ж | А,К1 | 250 | 650 | 
| БЭН 1077-ОС | 50 | 100 | 40-60 | 2,0 | 40 | 18,5 | Б/о | А,К1 | -40...37 | 500 | 
| БЭН 1078-ОС | 70 | 88 | 60-90 | 1,8 | 25 | 25 | Б/о | А,К1 | -40...37 | 570 | 
| БЭН 1079-ОС | 130 | 90 | 100-140 | 4,3 | 40 | 45 | Ж | А,К1 | -40...37 | 578 | 
| БЭН 1079/1-ОС | 125 | 70 | 90-140 | 3,0 | 16 | 30 | Б/о | А,К1 | -23 | 560 | 
| БЭН 1079/2-ОС | 110 | 125 | 55-145 | 3,5 | 16 | 55 | Ж | К | 20...30 | 624 | 
| БЭН 1079/5-ОС | 125 | 80 | 90-140 | 3,5 | 16 | 41 | Б/о | А,К1 | -40...40 | 775-720 | 
| БЭН 1080/4-МС | 5,5 | 80 | 2-9 | 1,6 | 50 | 5,5 | Б/о | К,К1 | 30...40 | 676-577 | 
| БЭН 1088/1-ДМС | 3 | 270 | 1,5-4 | 1,9 | 40 | 7,5 | Б/о | К,К1 | 20...60 | 580-550 | 
| БЭН 1088/5-ДМС | 3 | 275 | 1-5 | 1,6 | 40 | 15 | Б/о | К,К1 | 40...45 | 1009 | 
| БЭН 1097/1-МС | 80 | 160 | 60-90 | 2,5 | 40 | 65 | Ж | К,К1 | 110...195 | 750-683 | 
| БЭН 1097/2-МС | 80 | 165 | 50-120 | 2,5 | 40 | 55 | Ж | А,К1 | 250 | 640 | 
| БЭН 1099-МС | 1,5 | 55 | 0,5-2,5 | 1,4 | 16 | 2,2 | Ж | А,К1 | 609 | 700-1000 | 
| БЭН 1100-ОС | 12 | 65 | 7-15 | 1,8 | 16 | 5,5 | Б/о | А,К1 | 10...-40 | 668-640 | 
| БЭН 1101-ОС | 35 | 90 | 20-45 | 2,2 | 16 | 18,5 | Б/о | А,К1 | -27...28 | 685 при 20 °С | 
| БЭН 1102-ОС | 45 | 100 | 30-60 | 2,0 | 16 | 25 | Ж | А,К1 | 60 | 622 | 
| БЭН 1103-ОС | 50 | 70 | 30-65 | 2,79 | 16 | 15 | Ж | А,К1 | 90 | 598 | 
| БЭН 1104-МС | 50 | 156 | 30-60 | 2,5 | 16 | 33 | Б/о | А,К1 | 10...15 | 665-658 | 
| БЭН 1104/4-МС | 50 | 150 | 30-60 | 2,5 | 30 | 33 | Б/о | К,К1 | -41...40 | 626-529 | 
| БЭН 1105/1-ДМС | 12 | 360 | 10-16 | 1,8 | 40 | 25 | Ж | К,К1 | -29...45 | 504 | 
| БЭН 1106-ОС | 12,5 | 80 | 7-16 | 0,7 | 16 | 7,5 | Б/о | К | 100 | 850 | 
| БЭН 1106/1-ОС | 12,5 | 60 | 9-14 | 1,1 | 16 | 7,5 | Б/о | К | 0...30 | 780-750 | 
| БЭН 1106/6-ОС | 12,5 | 80 | 7-18 | 1,1 | 16 | 7,5 | Б/о | А,К1 | -40...40 | 783 | 
| БЭН 1106/7-ОС | 10 | 70 | 6-12 | 1,5 | 16 | 9 | Ж | К,К1 | 80...90 | 956 | 
| БЭН 1108-МС | 25 | 165 | 18-40 | 1,3 | 40 | 25 | Б/о | А,К1 | -33...41 | 680 при -33 °С | 
| БЭН 1109/2-ОС | 140 | 40 | 100-150 | 4,0 | 50 | 30 | Ж | К,К1 | 250 | 799 | 
| БЭН 1112/2-МС | 7 | 150 | 3-8 | 1,36 | 25 | 15 | Ж | А,К1 | 198 | 800 | 
| БЭН 1114-ДМС | 10 | 280 | 6-16 | 1,6 | 40 | 18,5 | Б/о | А,К1 | 30...35 | 482 | 
| БЭН 1114/3-ДМС | 13 | 300 | 10-15 | 1,5 | 40 | 25 | Б/о | А,К1 | 20 | 508 | 
| БЭН 1114/5-ДМС | 15 | 275 | 10-17 | 1,6 | 25 | 22 | Б/о | К,К1 | 2 | 612 | 
| БЭН 1120-ДМС | 50 | 435 | 20-75 | 2,2 | 40 | 90 | Ж | К,К1 | -30...30 | 602 при 0 °С | 
| БЭН 1120/1-ДМС | 50 | 400 | 20-60 | 2,3 | 40 | 110 | Ж | К,К1 | 30 | 750-850 | 
| БЭН 1121-ОС | 80 | 80 | 60-100 | 2,7 | 50 | 45 | Б/о | К | 40 | 710-780 | 
| БЭН 1121/1-ОС | 100 | 80 | 65-140 | 2,9 | 50 | 45 | Ж | К | -40...100 | 1000 | 
| БЭН 1121/3-ОС | 100 | 80 | 80-120 | 3,4 | 16 | 45 | Ж | А,К1 | 80 | 930 | 
| БЭН 1121/4-ОС | 100 | 80 | 65-140 | 3,2 | 50 | 41 | Б/о | А,К1 | -40...40 | 775-720 | 
| БЭН 1125/1-МС | 2,5 | 80 | 0,8-3,2 | 0,9 | 16 | 3,0 | Б/о | К | 20...80 | 670 | 
| БЭН 1125/7-МС | 3 | 100 | 1,5-4 | 1,5 | 16 | 4 | Б/о | К | -47...9 | 609 | 
| БЭН 1127-ОС | 170 | 200 | 130-200 | 6,0 | 25 | 150 | Ж | К,Е | 35...40 | 790-740 | 
| БЭН 1128-МС | 40 | 240 | 25-45 | 2,4 | 25 | 45 | Ж | K,К1 | 35 | 550 | 
| БЭН 1128/1-МС | 40 | 220 | 20-65 | 2,4 | 75 | 45 | Б/о | K,К1 | -5...7 | 526-506 | 
| БЭН 1129-МС | 65 | 240 | 30-75 | 2,5 | 25 | 65 | Ж | K,К1 | 40 | 730 | 
| БЭН 1130-МС | 1,2 | 64 | 0,6-1,5 | 1,5 | 16 | 2,2 | Б/о | К | 20 | 866 | 
| БЭН 1130/2-МС | 1 | 60 | 0,5-1,5 | 1,5 | 16 | 2,2 | Б/о | K,К1 | 104 | 995 | 
| БЭН 1138-МС | 3 | 96 | 2-4 | 1,7 | 16 | 4 | Ж | А,К1 | 250 | 860 | 
| БЭН 1138/1-МС | 2,5 | 96 | 1,5-3 | 1,4 | 16 | 4 | Ж | К | 350 | 920 | 
| БЭН 1139-ДМС | 11 | 470 | 5-14 | 1,6 | 40 | 41 | Ж | А,К1 | 40...110 | 660-570 | 
| БЭН 1139/2-ДМС | 8 | 340 | 5-13 | 1,7 | 40 | 37 | Ж | К | 65 | 1031 | 
| БЭН 1140-ДМС | 7 | 580 | 4-9 | 1,8 | 40 | 45 | Ж | А,К1 | 40...110 | 610 | 
| БЭН 1141-МС | 1 | 78 | 0,6-1,5 | 1,6 | 16 | 2,2 | Б/о | А,К1 | 40...110 | 540 | 
| БЭН 1143-МС | 4 | 143 | 2,5-6 | 1,2 | 40 | 7,5 | Ж | А,К1 | 40...180 | 653 | 
| БЭН 1143/1-МС | 2,5 | 122 | 1,5-4 | 1,8 | 40 | 5,5 | Ж | А,К1 | 40...180 | 653 | 
| БЭН 1144-МС | 0,5 | 140 | 0,2-0,6 | 1,7 | 40 | 4 | Ж | А,К1 | 40...180 | 653 | 
| БЭН 1150/1-МС | 2 | 80 | 1-3 | 1,4 | 16 | 4,0 | Ж | А,К1 | 360 | 775-800 | 
| БЭН 1150/2-МС | 2 | 80 | 1-3 | 2,0 | 16 | 5,5 | Ж | А,К1 | 340 | 920 | 
| БЭН 1150/3-МС | 3 | 95 | 2-4 | 1,8 | 16 | 4 | Ж | K,К1 | 350 | 670 | 
| БЭН 1157-ОС | 90 | 112 | 60-110 | 2,8 | 40 | 5,5 | Ж | К,К1 | 230 | 840 | 
| БЭН 1157/2-ОС | 100 | 125 | 60-110 | 2,8 | 25 | 55 | Ж | А,К1 | 320 | 850-800 | 
| БЭН 1161/1-МС | 26 | 195 | 17-33 | 2,8 | 25 | 33 | Ж | К | 225...260 | 670-655 | 
| БЭН 1161/2-МС | 20 | 160 | 15-22 | 1,8 | 16 | 18,5 | Ж | А,К1 | 360 | 743 | 
| БЭН 1165-МС | 12 | 245 | 11-15 | 1,5 | 40 | 30 | Б/о | К,К1 | 45 | 1024 | 
| БЭН 1180-МС | 50 | 260 | 30-75 | 2,3 | 40 | 90 | Ж | К,К1 | 100 | 950 | 
| БЭН 1180/2-МС | 55 | 260 | 30-75 | 2,5 | 40 | 55 | Б/о | К | -73...51,4 | 561-543 | 
| БЭН 1187/1-ОС | 2,5 | 32 | 1,5-3,5 | 1,4 | 16 | 1,5 | Б/о | К | 60...80 | 750 | 
| БЭН 1191-ОС | 5 | 47 | 2-8 | 1,5 | 40 | 4 | Ж | К | 95 | 1100 | 
| БЭН 1199/1-ДМС | 30 | 300 | 20-35 | 2,5 | 40 | 55 | Ж | К,Е | 25...80 | 750-730 | 
| БЭН 1203-ОС | 20 | 90 | 15-24 | 2,5 | 16 | 18,5 | Ж | К | 80 | 903 | 
| БЭН 1211/4-ДМС | 2,5 | 160 | 1,5-3 | 1,4 | 25 | 7,5 | Ж | К,К1 | 70...90 | 820-740 | 
| БЭН 1211/5-ДМС | 1,5 | 175 | 0,8-2 | 1,5 | 40 | 5,5 | Б/о | К | 30 | 642 | 
| БЭН 1211/6-ДМС | 2,5 | 160 | 1,5-3 | 1,4 | 25 | 7,5 | Ж | К,К1 | 104 | 955 | 
| БЭН 1212-ДМС | 25 | 440 | 20-28 | 2,2 | 50 | 90 | Ж | К | 68 | 1029 | 
| БЭН 1217-МС | 55 | 300 | 45-65 | 2,8 | 40 | 110 | Ж | К,К1 | 120 | 943 | 
| БЭН 1226-ОС | 18 | 122 | 15-24 | 1,4 | 16 | 18,5 | Ж | А,К1 | 200 | 670 | 
| БЭН 1234-ДМС | 40 | 350 | 20-60 | 2,5 | 40 | 65 | Б/о | К | -60...-30 | 545-520 | 
| БЭН 1234/1-ДМС | 45 | 340 | 30-35 | 2,5 | 50 | 65 | Ж | К,К1 | 40 | 525-542 | 
| БЭН 1242/1-ОС | 15 | 18 | 10-25 | 2,6 | 16 | 2,2 | Ж | К | 143 | 900 | 
| БЭН 1244/1-МС | 5 | 130 | 2-7 | 1,9 | 25 | 9 | Б/о | К | 50...30 | 1000-765 | 
| БЭН 1245/1-ОС | 30 | 17 | 20-36 | 2,1 | 16 | 5,5 | Б/о | К | -80 | 1450 | 
| БЭН 1256/1-МС | 10 | 220 | 8-14 | 3,5 | 25 | 37 | Ж | К | 5...60 | 1080 | 
| БЭН 1275-ОС | 115 | 18 | 90-130 | 3,6 | 16 | 11 | Ж | К | 175 | 892 | 
ОБОЗНАЧЕНИЕ ЭЛЕКТРОНАСОСА  | 
НОМИНАЛЬНАЯ ПОДАЧА, м3/ч  | 
НАПОР ПРИ НОМИНАЛЬНОЙ ПОДАЧЕ, м  | 
РАБОЧИЙ ИНТЕРВАЛ ПОДАЧ, м3/ч  | 
ДОПУСКАЕМЫЙ КАВИТАЦИОННЫЙ ЗАПАС ПРИ НОМИНАЛЬНОЙ ПОДАЧЕ, м  | 
ДАВЛЕНИЕ В КОНТУРЕ ЭЛЕКТРОНАСОСА, кгс/см2  | 
НОМИНАЛЬНАЯ МОЩНОСТЬ ВСТРОЕННОГО ЭЛЕКТРОДВИГАТЕЛЯ, кВт  | 
ВИД ОХЛАЖДЕНИЯ НАРУЖНОЙ ПОВЕРХНОСТИ СТАТОРА ДВИГАТЕЛЯ – ЖИДКОСТНОЕ (Ж) ИЛИ БЕЗ ОХЛАЖДЕНИЯ (Б/о)  | 
ДОПУСКАЕМАЯ ТЕМПЕРАТУРА ПЕРЕКАЧИВАЕМОГО ПРОДУКТА, ºС  | 
ПЛОТНОСТЬ, кг/м3  | 
|---|---|---|---|---|---|---|---|---|---|
| 1БЭН – 76В | 16 | 30 | 12…20 | - | 4,6 | 4 | Ж | 50 | 1000 | 
| БЭН – 213 | 8,5 | 150 | 6…12 | 2,0 | 16 | 18,5 | Б/о | 40 | 750 | 
| БЭН – 213/1 | 10 | 170 | 4…12 | 2,0 | 16 | 18,5 | Б/о | 40 | 670 | 
| БЭН – 213/2 | 7 | 130 | 5…10 | 1,8 | 25 | 11 | Б/о | 40 | 673 | 
| БЭН – 213/5 | 9 | 140 | 6…12 | 2,0 | 25 | 15 | Б/о | 10 | 672 | 
| БЭН 221/1 | 400 | 74 | 300…500 | 5,5 | 25 | 132 | Ж | -15...30 | 900 | 
| БЭН 221/4 | 450 | 61 | 300…470 | 3,5 | 25 | 75 | Ж | 35 | 650 | 
| БЭН 224 | 140 | 32 | 100…150 | 4,0 | 25 | 22 | Ж | 100...60 | 1030 | 
| БЭН - 225 | 300 | 65 | 280…400 | 2,5 | 25 | 110 | Ж | 100 | 1025 | 
| БЭН 225/1 - М | 290 | 32 | 200…300 | 6,0 | 16 | 55 | Ж | 60 | 1356 | 
| БЭН - 225/3 | 300 | 60 | 100…300 | 2,6 | 25 | 63 | Б/о | -30...40 | 660 | 
| БЭН – 232 | 50 | 400 | 25…70 | 3,0 | 40 | 75 | Ж | 40 | 510 | 
| БЭН – 232/1 | 60 | 425 | 30…70 | 3,0 | 40 | 90 | Ж | -34...50 | 600 | 
| БЭН – 232/2 | 60 | 600 | 15…60 | 1,8 | 63 | 150 | Ж | 10...70 | 880 | 
| БЭН – 232/4 | 53 | 360 | 20…60 | 2,5 | 32 | 75 | Ж | 45...60 | 570 | 
| БЭН – 233 | 250 | 460 | 100…300 | 5,5 | 40 | 250 | Ж | 50 | 500 | 
| БЭН – 233/2 | 190 | 560 | 180…220 | 5,0 | 45 | 250 | Ж | 40 | 500 | 
| БЭН - 234/1 | 300 | 120 | 300…500 | 5,0 | 32 | 110 | Ж | -50...30 | 500 | 
| БЭН – 235 | 200 | 440 | 150…200 | 4,5 | 35 | 200 | Ж | -30...30 | 600 | 
| БЭН – 235/3 | 175 | 240 | 110…220 | 3,0 | 25 | 132 | Ж | -35...40 | 635 | 
| БЭН – 235/4 | 200 | 200 | 180…220 | 3,0 | 32 | 90 | Ж | -40...40 | 550 | 
| БЭН – 250 | 15 | 230 | 10…20 | 3,0 | 25 | 45 | Б/о | 20 | 1000 | 
| БЭН – 250/1 | 30 | 230 | 8…30 | 3,0 | 40 | 30 | Б/о | -10...30 | 580 | 
| БЭН – 250/2 | 60 | 230 | 10…65 | 3,0 | 35 | 75 | Ж | 70 | 820 | 
| БЭН – 255 | 15 | 280 | 10…20 | 3,0 | 35 | 45 | Б/о | 40 | 800 | 
| БЭН – 256 | 60 | 80 | 55…80 | 3,0 | 50 | 15 | Б/о | -40...-5 | 460 | 
| БЭН - 257 | 70 | 70 | 30…75 | 2,5 | 25 | 30 | Б/о | 50 | 1200 | 
| 1БЭН - 257 | 80 | 80 | 50…90 | 2,0 | 40 | 18,5 | Б/о | 5...50 | 605 | 
| БЭН – 259/1 | 5 | 210 | 2…8 | 1,5 | 25 | 15 | Ж | 100 | 1000 | 
| БЭН – 262/1 | 50 | 400 | 30…55 | 3,0 | 50 | 75 | Ж | 0...30 | 600 | 
| БЭН – 262/2 | 38 | 440 | 30…50 | 3,0 | 50 | 75 | Ж | 0...30 | 600 | 
| БЭН – 262/3 | 35 | 240 | 20…40 | 2,8 | 32 | 45 | Б/о | 40 | 500 | 
| БЭН – 262/4 | 40 | 248 | 20…60 | 1,5 | 32 | 45 | Ж | 30 | 620 | 
| БЭН – 263 | 10 | 200 | 3…15 | 2,7 | 30 | 30 | Б/о | -10...0 | 820 | 
| БЭН – 263/1 | 10 | 200 | 8…15 | 2,7 | 25 | 30 | Ж | 115 | 958 | 
| БЭН – 263/3 | 6 | 600 | 3…8 | 1,8 | 70 | 75 | Ж | 90...95 | 965 | 
| БЭН – 263/5 | 30 | 190 | 20…35 | 2,5 | 25 | 37 | Ж | 102 | 957 | 
| БЭН – 265 | 15 | 300 | 10…20 | 2,0 | 40 | 75 | Б/о | 50 | 1200 | 
| БЭН – 265/1 | 12,5 | 340 | 6…15 | 3,0 | 30 | 45 | Ж | 40 | 745 | 
| БЭН – 265/2 | 30 | 300 | 10…40 | 3,0 | 40 | 55 | Б/о | -30...40 | 630 | 
| БЭН – 270/2 | 20 | 30 | 15…22 | 2,0 | 10 | 4 | Б/о | 40 | 1300 | 
| БЭН - 276 | 200 | 125 | 140…220 | 4,5 | 35 | 75 | Ж | 50...60 | 440 | 
| БЭН – 276/1 | 250 | 125 | 125…275 | 4,5 | 26 | 75 | Ж | 50...70 | 510 | 
| БЭН - 277 | 300 | 100 | 180…325 | 4,5 | 26 | 75 | Ж | 50...60 | 580 | 
| 1БЭН – 277 | 270 | 85 | 180…280 | 3,5 | 40 | 75 | Б/о | 5...50 | 560 | 
| БЭН – 280 | 50 | 135 | 25…60 | 3,0 | 25 | 37 | Б/о | 0...40 | 800 | 
| БЭН – 280/1 | 40 | 100 | 20…50 | 3,0 | 16 | 37 | Ж | 100 | 1240 | 
| БЭН – 280/2 | 70 | 90 | 4,0…80 | 3,5 | 25 | 37 | Ж | 30 | 850 | 
| БЭН – 280/4 | 50 | 135 | 20…55 | 3,0 | 20 | 22 | Б/о | 45 | 520 | 
| БЭН – 281 | 70 | 175 | 40…80 | 3,7 | 25 | 55 | Ж | 0...40 | 760 | 
| БЭН – 281/1 | 100 | 135 | 50…100 | 3,0 | 16 | 55 | Б/о | -30...30 | 600 | 
| БЭН – 281/2 | 13 | 175 | 8…20 | 3,0 | 25 | 37 | Ж | 140 | 850 | 
| БЭН – 282 | 40 | 100 | 25…50 | 3,0 | 75 | 37 | Ж | 100...175 | 870 | 
| БЭН – 282/1 | 40 | 100 | 20…50 | 2,5 | 16 | 37 | Ж | 130 | 920 | 
| БЭН - 283 | 150 | 82 | 100…200 | 4,0 | 50 | 45 | Ж | -40...60 | 700 | 
| БЭН - 283/1 | 150 | 84 | 100…150 | 4,0 | 16 | 55 | Ж | 0...65 | 980 | 
| БЭН - 283/2 | 200 | 75 | 100…220 | 4,5 | 25 | 75 | Ж | -30...60 | 790 | 
| БЭН – 284/1 | 90 | 250 | 30…90 | 3,0 | 40 | 75 | Ж | -30...30 | 600 | 
| БЭН - 284/2 | 100 | 270 | 50…100 | 2,3 | 50 | 90 | Ж | -30...30 | 650 | 
| БЭН – 284/4 | 110 | 250 | 70…120 | 3,0 | 25 | 90 | Ж | 30 | 615 | 
| БЭН – 286 | 12,5 | 100 | 3…8 | 5,0 | 16 | 7,5 | Б/о | 90...100 | 848 | 
| БЭН – 286/1 | 15 | 95 | 10…15 | 1,0 | 16 | 22 | Ж | 60 | 1200 | 
| БЭН – 286/2 | 13 | 90 | 7…18 | 1,0 | 56 | 11 | Б/о | 50 | 1100 | 
| БЭН – 286/3 | 12,5 | 100 | 4…18 | 1,0 | 16 | 7,5 | Б/о | 44 | 780 | 
| БЭН – 286/4 | 12,5 | 91 | 6…13 | 0,9 | 16 | 5,5 | Б/о | 20 | 675 | 
| БЭН - 290/2 | 160 | 60 | 100…200 | 3,7 | 25 | 45 | Ж | 60 | 800 | 
| БЭН - 293 | 120 | 65 | 110…140 | 3,5 | 16 | 30 | Ж | 100...360 | 800 | 
| БЭН - 293/2 | 120 | 60 | 60…150 | 3,5 | 16 | 37 | Ж | 100...304 | 980 | 
| БЭН - 296/1 | 120 | 220 | 50…120 | 4,0 | 40 | 75 | Ж | -30...60 | 630 | 
| БЭН - 296/2 | 135 | 160 | 50…150 | 4,0 | 40 | 75 | Ж | -30...90 | 630 | 
| БЭН - 296/3 | 120 | 240 | 60…120 | 4,0 | 30 | 75 | Ж | 35...50 | 480 | 
| БЭН – 297 | 5 | 270 | 3…8 | 1,0 | 40 | 15 | Б/о | 0...50 | 620…1000 | 
| БЭН – 297/1 | 3 | 250 | 2…7 | 1,0 | 30 | 15 | Ж | 80...95 | 972 | 
| БЭН – 298 | 5 | 270 | 3…6 | 1,0 | 20 | 11 | Б/о | -100 | 600 | 
| БЭН – 299 | 80 | 460 | 40…100 | 2,3 | 50 | 132 | Ж | 10...65 | 740 | 
| БЭН – 299/1 | 80 | 420 | 75…115 | 2,3 | 45 | 150 | Ж | -20...40 | 655 | 
| БЭН – 299/2 | 62 | 440 | 40…70 | 2,6 | 50 | 110 | Ж | 0...18 | 545 | 
| БЭН – 299/3 | 70 | 520 | 50…80 | 2,5 | 50 | 132 | Ж | 15...35 | 526 | 
| БЭН - 300/1 | 20 | 85 | 12…30 | 1,8 | 16 | 11 | Б/о | 20 | 800 | 
| БЭН – 301/2 | 30 | 420 | 15…40 | 3,0 | 40 | 75 | Ж | 20 | 560 | 
| БЭН - 302 | 32 | 83 | 30…35 | 2,0 | 12 | 15 | Б/о | -93 | 1120 | 
| БЭН - 303 | 45 | 100 | 40..50 | 2,5 | 10 | 15 | Б/о | 35 | 580 | 
| БЭН - 304 | 45 | 100 | 40…50 | 3,0 | 20 | 30 | Б/о | 40 | 980 | 
| БЭН - 305 | 50 | 65 | 50…60 | 2,6 | 9,0 | 15 | Б/о | 20 | 800 | 
| БЭН - 306 | 75 | 73 | 30…75 | 3,2 | 9,0 | 22 | Ж | 70 | 870 | 
| БЭН – 307 | 10 | 220 | 5…24 | 2,5 | 30 | 30 | Ж | 40 | 700 | 
| БЭН – 307/1 | 30 | 210 | 20…35 | 3,0 | 30 | 30 | Б/о | 18 | 600 | 
| БЭН – 309 | 15 | 130 | 2…15 | 1,8 | 10 | 15 | Б/о | 10...20 | 600 | 
| БЭН - 313/1 | 12 | 60 | 2…12 | 2,0 | 16 | 4 | Б/о | 40 | 710 | 
| БЭН - 313/3 | 12 | 60 | 8…15 | 2,8 | 16 | 4 | Ж | 100 | 800 | 
| БЭН – 314 | 40 | 90 | 25…50 | 3,0 | 16 | 22 | Ж | 100...130 | 700 | 
| БЭН – 314/1 | 50 | 120 | 20…60 | 3,0 | 16 | 22 | Ж | 100...200 | 560 | 
| БЭН – 314/2 | 45 | 85 | 25…50 | 3,0 | 16 | 22 | Ж | 100...135 | 880 | 
| БЭН – 315 | 35 | 550 | 25…50 | 2,0 | 55 | 132 | Ж | 30...40 | 770 | 
| БЭН – 316/2 | 100 | 38 | 25…50 | 3,0 | 50 | 22 | Б/о | 40 | 860 | 
| БЭН – 316/4 | 100 | 60 | 60…100 | 1,13 | 16 | 30 | Б/о | -40...40 | 860 | 
| БЭН – 316/5 | 100 | 50 | 70…140 | 3,0 | 30 | 30 | Б/о | -40...40 | 844 | 
| БЭН – 320/1 | 300 | 120 | 100…500 | 5,0 | 32 | 110 | Ж | -50...30 | 500 | 
| БЭН – 321 | 300 | 100 | 180…320 | 5,2 | 32 | 75 | Ж | 70 | 520 | 
| БЭН - 322 | 300 | 145 | 200…350 | 5,0 | 45 | 110 | Ж | 60...70 | 520 | 
| 1БЭН - 322 | 300 | 145 | 200…300 | 5,0 | 40 | 132 | Ж | -18 | 620 | 
| БЭН – 322/1 | 300 | 125 | 180…330 | 5,0 | 37 | 75 | Ж | -37 | 400 | 
| БЭН – 323 | 400 | 125 | 240…440 | 5,2 | 37 | 132 | Ж | 45...60 | 600 | 
| БЭН – 326/1 | 25 | 70 | 10…40 | 2,5 | 25 | 11 | Б/о | 35...45 | 580 | 
| БЭН – 328 | 40 | 80 | 13…55 | 2,0 | 42 | 15 | Б/о | -100 | 600 | 
| БЭН – 329 | 170 | 160 | 100…180 | 4,0 | 25 | 90 | Ж | 0...80 | 600 | 
| БЭН – 329/4 | 120 | 150 | 70…130 | 4,0 | 25 | 90 | Ж | 120 | 943 | 
| БЭН – 330 | 30 | 650 | 10…35 | 3,0 | 60 | 110 | Ж | -30...40 | 690 | 
| БЭН – 331 | 30 | 350 | 6…35 | 1,8 | 36 | 75 | Ж | 60 | 1000 | 
| БЭН – 332/1 | 50 | 270 | 40…60 | 2,0 | 15 | 75 | Ж | 40 | 600 | 
| БЭН – 335 | 320 | 100 | 280…320 | 6,0 | 15 | 75 | Ж | 130 | 423 | 
| БЭН – 336/1 | 500 | 180 | 200…320 | 3,0 | 32 | 185 | Ж | -10...100 | 680 | 
| БЭН – 337 | 160 | 200 | 100…180 | 4,5 | 40 | 110 | Ж | -45...30 | 680 | 
| БЭН – 337/1 | 130 | 200 | 60…160 | 3,0 | 25 | 110 | Ж | -30...40 | 750 | 
| БЭН – 337/3 | 200 | 210 | 150…240 | 5,0 | 25 | 132 | Ж | 300 | 685 | 
| БЭН – 337/4 | 131 | 230 | 75…135 | 2,5 | 25 | 75 | Ж | 40 | 550 | 
| БЭН – 339 | 30 | 105 | 25…40 | 3,0 | 16 | 18,5 | Б/о | 60 | 670 | 
| БЭН – 339/1 | 15 | 115 | 3…20 | 2,8 | 16 | 22 | Ж | 40...165 | 850 | 
| БЭН – 339/2 | 20 | 100 | 10…40 | 2,8 | 50 | 11 | Б/о | -16...11 | 415 | 
| БЭН – 339/3 | 12,5 | 100 | 4…20 | 2,8 | 50 | 11 | Ж | 100 | 635 | 
| БЭН – 346 | 5 | 50 | 2…6 | 1,0 | 25 | 2,2 | Б/о | -45 | 520 | 
| БЭН – 346/1 | 6 | 50 | 4…7 | 0,9 | 16 | 3 | Б/о | 60 | 1000 | 
| БЭН – 348 | 5,2 | 310 | 1,7…5,2 | 5,0 | 30 | 11 | Ж | 0...40 | 610 | 
| БЭН – 348/1 | 12 | 180 | 7…12,5 | 2,0 | 20 | 11 | Ж | 40 | 510 | 
| БЭН – 349/1 | 40 | 340 | 10…60 | 3,5 | 50 | 110 | Ж | 70-90 | 870 | 
| БЭН – 349/2 | 20 | 365 | 10…25 | 3,5 | 50 | 110 | Ж | 10...40 | 1200 | 
| БЭН – 355 | 5 | 220 | 2…10 | 1,0 | 30 | 15 | Б/о | 40...50 | 1220 | 
| БЭН – 355/1 | 15 | 280 | 8…16 | 2,0 | 30 | 18,5 | Б/о | 45 | 520 | 
| БЭН – 356 | 50 | 125 | 20…60 | 3,0 | 50 | 30 | Б/о | -30...60 | 610 | 
| БЭН – 356/1 | 70 | 130 | 40…70 | 2,8 | 25 | 45 | Б/о | 40 | 900 | 
| БЭН – 357/2 | 30 | 50 | 20…35 | 2,2 | 50 | 11 | Б/о | 65...70 | 1100 | 
| 1БЭН – 358 | 35 | 135 | 20…45 | 2,5 | 25 | 30 | Ж | 80 | 800 | 
| БЭН – 359 | 15 | 650 | 8…25 | 4,0 | 60 | 110 | Ж | 60 | 840 | 
| БЭН – 359/1 | 25 | 610 | 8…30 | 2,5 | 60 | 110 | Ж | -30...45 | 500 | 
| БЭН – 359/2 | 15 | 700 | 8…20 | 2,5 | 60 | 110 | Ж | -30...45 | 650 | 
| БЭН – 359/4 | 25 | 640 | 5…25 | 2,0 | 63 | 110 | Ж | -30...40 | 700 | 
| БЭН – 361 | 10 | 130 | 8..15 | 3,0 | 16 | 15 | Ж | 135...200 | 850 | 
| БЭН – 362 | 15 | 550 | 8…20 | 2,5 | 50 | 75 | Ж | 0...50 | 650 | 
| БЭН – 364 | 70 | 25 | 30…100 | 4,0 | 25 | 11 | Ж | 40...50 | 1220 | 
| БЭН – 371 | 30 | 525 | 15…40 | 3,0 | 50 | 132 | Ж | 300...350 | 700 | 
| БЭН – 371/3 | 24 | 160 | 10…32 | 3,0 | 20 | 37 | Ж | 150...360 | 920 | 
| БЭН - 373 | 120 | 72 | 60…180 | 4,8 | 50 | 37 | Б/о | -20 | 440 | 
| БЭН – 374 | 50 | 90 | 30…70 | 2,5 | 50 | 22 | Б/о | -100 | 500 | 
| БЭН – 375 | 90 | 85 | 20…90 | 3,0 | 16 | 37 | Ж | 30...90 | 880 | 
| 1БЭН – 375 | 90 | 85 | 70…100 | 3,0 | 25 | 30 | Б/о | 45 | 530 | 
| 1БЭН – 375/1 | 70 | 90 | 50…80 | 1,5 | 25 | 37 | Б/о | 30 | 820 | 
| БЭН – 375/2 | 70 | 80 | 50…80 | 1,5 | 25 | 37 | Б/о | 40 | 870 | 
| БЭН – 377 | 90 | 190 | 1,7…5,2 | 3,0 | 16 | 90 | Ж | -45...50 | 750 | 
| БЭН – 377/1 | 80 | 215 | 7…12,5 | 3,5 | 25 | 90 | Ж | 140 | 850 | 
| БЭН – 378 | 6 | 400 | 10…60 | 3,0 | 40 | 22 | Б/о | -30...40 | 650 | 
| БЭН – 380 | 45 | 85 | 10…25 | 3,0 | 50 | 11 | Б/о | -40...5 | 460 | 
| 1БЭН – 380 | 50 | 80 | 30…60 | 2,2 | 50 | 11 | Б/о | -95 | 305 | 
| БЭН – 380/1 | 30 | 60 | 2…10 | 3,0 | 50 | 11 | Б/о | 25...38 | 510 | 
| БЭН – 380/2 | 50 | 80 | 8…16 | 2,2 | 50 | 15 | Б/о | 35...40 | 565 | 
| БЭН – 381 | 400 | 230 | 20…60 | 5,0 | 35 | 280 | Ж | 70 | 731 | 
| БЭН – 382 | 3 | 510 | 40…70 | 1,7 | 50 | 45 | Ж | -40...50 | 800 | 
| БЭН – 382/1 | 2 | 470 | 20…35 | 1,8 | 50 | 45 | Ж | 0...40 | 860 | 
| БЭН – 382/2 | 5 | 450 | 20…45 | 1,0 | 55 | 55 | Ж | 70 | 1100 | 
| БЭН – 383 | 90 | 170 | 8…25 | 3,5 | 30 | 45 | Б/о | -30 | 450 | 
| БЭН – 385 | 3 | 140 | 8…30 | 1,0 | 25 | 4 | Б/о | -30...30 | 600 | 
| БЭН – 385/1 | 1,5 | 190 | 8…20 | 1,0 | 30 | 15 | Б/о | 0...50 | 1200 | 
| БЭН – 385/3 | 1,4 | 100 | 5…25 | 1,0 | 25 | 4 | Б/о | 10...40 | 930 | 
| 1БЭН – 385/3 | 2,9 | 119 | 8…15 | 1,4 | 25 | 4 | Б/о | -37...34 | 557 | 
| БЭН – 385/4 | 1,5 | 120 | 8…20 | 1,3 | 25 | 4 | Б/о | -30...40 | 670 | 
| БЭН – 385/5 | 5 | 120 | 30…100 | 1,0 | 25 | 5,5 | Б/о | 40 | 950 | 
| БЭН – 386 | 6 | 700 | 15…40 | 1,8 | 80 | 55 | Ж | 90 | 850 | 
| БЭН – 386/1 | 6 | 550 | 10…32 | 2,0 | 50 | 55 | Ж | 30 | 800 | 
| 1БЭН – 386/1 | 9 | 680 | 60…180 | 2,0 | 65 | 63 | Ж | 10...45 | 878 | 
| БЭН – 387 | 50 | 550 | 30…70 | 1,8 | 50 | 132 | Ж | 0...57 | 840 | 
| БЭН – 387/1 | 40 | 620 | 20…90 | 1,8 | 53 | 110 | Ж | -40...40 | 550 | 
| БЭН – 387/2 | 50 | 450 | 70…100 | 1,8 | 40 | 110 | Ж | 40 | 850 | 
| БЭН – 388 | 5 | 400 | 50…80 | 1,8 | 50 | 30 | Ж | 40...120 | 920 | 
| БЭН – 388/1 | 10 | 400 | 50…80 | 1,8 | 50 | 37 | Ж | 2...120 | 940 | 
| БЭН – 389 | 15 | 200 | 6…20 | 2,5 | 30 | 22 | Ж | 30...40 | 600 | 
| БЭН – 389/1 | 30 | 200 | 20…30 | 3,0 | 30 | 37 | Б/о | 30...50 | 600 | 
| БЭН – 390 | 50 | 25 | 20…50 | 1,0 | 40 | 5,5 | Б/о | -18...37 | 620 | 
| БЭН – 392 | 30 | 280 | 20…35 | 2,3 | 40 | 45 | Б/о | -30...50 | 650 | 
| БЭН – 394 | 12,5 | 150 | 5…20 | 2,0 | 16 | 22 | Ж | 0...100 | 900 | 
| БЭН – 396 | 50 | 50 | 25…60 | 3,0 | 16 | 22 | Ж | 100...130 | 1400 | 
| БЭН – 441 | 20 | 120 | 10…30 | 2,5 | 25 | 30 | Ж | 50 | 1280 | 
| БЭН – 441/1 | 20 | 100 | 5,0…25 | 3,0 | 25 | 18,5 | Б/о | 35 | 820 | 
| БЭН – 441/3 | 20 | 90 | 10…30 | 3,0 | 25 | 18,5 | Б/о | 45 | 1000 | 
| БЭН – 444 | 200 | 90 | 100…220 | 2,5 | 16 | 75 | Ж | 40...60 | 900 | 
| БЭН – 445 | 0,5 | 85 | 0,5…1,3 | 1,8 | 16 | 4 | Б/о | 40 | 800 | 
| БЭН – 446 | 10 | 85 | 2,5…10 | 1,8 | 16 | 11 | Б/о | 40 | 998 | 
| БЭН – 447 | 140 | 200 | 90…170 | 3,0 | 32 | 75 | Ж | 40 | 490 | 
| БЭН – 448 | 25 | 140 | 15-30 | 2,5 | 16 | 18,5 | Б/о | -30...30 | 600 | 
| БЭН – 450 | 14 | 905 | 8…21 | 2,5 | 75 | 160 | Ж | 100...165 | 760 | 
| БЭН – 450/1 | 35 | 890 | 18…40 | 2,0 | 75 | 185 | Ж | 60 | 920 | 
| БЭН – 458 | 3,5 | 70 | 1…5 | 1,3 | 16 | 5,5 | Б/о | 45 | 992 | 
| БЭН – 458/3 | 4,9 | 158 | 0,45…6,0 | 0,8 | 25 | 5,5 | Б/о | -37...34 | 660 | 
| БЭН – 458/4 | 3 | 65 | 1,0…5,0 | 0,9 | 16 | 5,5 | Б/о | 60 | 1470 | 
| БЭН – 459 | 25 | 850 | 8…25 | 3,0 | 60 | 110 | Б/о | 0 | 710 | 
| БЭН – 466 | 50 | 120 | 30…60 | 1,2 | 25 | 22 | Ж | 40 | 560 | 
| БЭН – 466/1 | 25 | 120 | 10…30 | 2,4 | 25 | 22 | Б/о | 30 | 585 | 
| БЭН – 466/2 | 60 | 100 | 30…70 | 3,0 | 16 | 30 | Ж | 60 | 810 | 
| БЭН – 468 | 20 | 60 | 15…30 | 2,0 | 16 | 11 | Б/о | 50 | 900 | 
| БЭН – 472 | 120 | 410 | 60…140 | 2,5 | 50 | 132 | Ж | -30 | 440 | 
| БЭН – 483 | 70 | 175 | 40…80 | 3,5 | 25 | 75 | Б/о | -40...20 | 850 | 
| БЭН – 483/3 | 45 | 145 | 25…60 | 3,0 | 40 | 37 | Б/о | 50 | 570 | 
| БЭН – 486 | 12,5 | 350 | 8…13 | 2,8 | 40 | 30 | Б/о | 25 | 573 | 
| БЭН – 488 | 2,1 | 42 | 1,4…2,1 | 1,3 | 16 | 1,5 | Б/о | 36 | 1062 | 
| БЭН – 488/1 | 4 | 52 | 2…4 | 1,5 | 16 | 2,2 | Б/о | 75 | 800 | 
| БЭН – 488/2 | 2 | 54 | 0,5…3 | 1,5 | 16 | 3 | Б/о | 50...120 | 900 | 
| 1БЭН – 488/2 | 2 | 55 | 1…3 | 1,8 | 16 | 3 | Ж | 160 | 870 | 
| БЭН – 488/4 | 0,25 | 125 | 0,1…5 | 1,5 | 25 | 5,5 | Б/о | -38...40 | 730 | 
| БЭН – 499 | 5 | 100 | 3…7 | 1,8 | 16 | 5,5 | Б/о | 40 | 675 | 
| БЭН – 508 | 25 | 35 | 15…30 | 2,0 | 40 | 3 | Б/о | 50 | 510 | 
| БЭН – 509 | 120 | 70 | 50…150 | 3,5 | 40 | 30 | Б/о | 40 | 610 | 
| БЭН – 510 | 80 | 200 | 25…100 | 3,0 | 40 | 63 | Ж | 50 | 525 | 
| 1БЭН – 510 | 70 | 310 | 40…80 | 3,0 | 40 | 75 | Ж | 5...50 | 630 | 
| БЭН – 510/3 | 70 | 110 | 50…80 | 2,4 | 25 | 37 | Б/о | 50 | 645 | 
| БЭН – 510/7 | 110 | 200 | 30…110 | 3,0 | 25 | 110 | Ж | 80 | 1000 | 
| БЭН – 511 | 25 | 450 | 15…30 | 1,8 | 40 | 55 | Ж | 25 | 470 | 
| БЭН – 513 | 150 | 50 | 100…180 | 3 | 25 | 22 | Б/о | 25 | 520 | 
| БЭН – 514 | 7,5 | 45 | 2…7,5 | 1,0 | 10 | 3 | Б/о | 75 | 1000 | 
| БЭН – 515 | 93 | 125 | 34…93 | 3,0 | 16 | 75 | Ж | 75 | 1000 | 
| БЭН – 515/3 | 95 | 130 | 20…100 | 3,5 | 40 | 45 | Б/о | 50 | 560 | 
| БЭН – 515/4 | 135 | 100 | 70…140 | 3,5 | 25 | 45 | Ж | 40 | 680 | 
| БЭН – 515/5 | 80 | 110 | 60…90 | 3,5 | 25 | 55 | Ж | 100...120 | 995 | 
| БЭН – 516 | 93 | 54 | 34…93 | 3,0 | 16 | 30 | Ж | 75 | 1000 | 
| БЭН – 516/1 | 86 | 42 | 40…86 | 3,0 | 16 | 22 | Ж | 75 | 1030 | 
| БЭН – 516/2 | 100 | 50 | 60…120 | 1,5 | 16 | 18,5 | Б/о | 40 | 675 | 
| БЭН – 516/4 | 80 | 50 | 50…100 | 2,2 | 25 | 15 | Б/о | 35...40 | 568 | 
| БЭН – 517 | 7 | 73 | 3…7 | 2,0 | 16 | 5,5 | Ж | 100 | 850 | 
| БЭН – 518 | 24 | 70 | 10…24 | 2,8 | 16 | 11 | Ж | 150 | 930 | 
| БЭН – 518/1 | 25 | 69 | 12…25 | 1,8 | 25 | 11 | Ж | 165 | 810 | 
| БЭН – 518/3 | 17 | 70 | 8…20 | 1,5 | 25 | 7,5 | Б/о | 52 | 790 | 
| БЭН – 518/5 | 30 | 80 | 15…35 | 1,5 | 50 | 11 | Б/о | 20...50 | 510 | 
| БЭН – 519 | 97 | 45 | 35…97 | 3,5 | 10 | 22 | Ж | 150 | 940 | 
| БЭН – 526 | 7 | 420 | 2…10 | 2,0 | 50 | 30 | Б/о | -40...40 | 860 | 
| БЭН – 527 | 200 | 60 | 160…200 | 5,0 | 16 | 90 | Ж | 60 | 1830 | 
| БЭН – 534 | 100 | 160 | 20…100 | 1,5 | 25 | 63 | Ж | 10...60 | 680 | 
| БЭН – 534/1 | 100 | 153 | 70…120 | 1,3 | 25 | 63 | Ж | 30 | 731 | 
| БЭН – 539 | 70 | 115 | 50…80 | 3,0 | 16 | 37 | Б/о | 40 | 550 | 
| БЭН – 539/1 | 70 | 110 | 50…80 | 3,0 | 20 | 45 | Б/о | 30 | 820 | 
| БЭН – 539/4 | 100 | 93 | 16…110 | 3,4 | 25 | 55 | Б/о | 40 | 860 | 
| БЭН – 557/1 | 2,8 | 16 | 0,4…3,1 | 1,3 | 16 | 1,1 | Б/о | 60...110 | 920 | 
| БЭН – 557/3 | 6,3 | 8 | 4…8 | 1,3 | 16 | 1,1 | Б/о | 5...50 | 1000 | 
| БЭН – 563 | 15 | 200 | 10…18 | 2,0 | 25 | 30 | Ж | 150...450 | 700 | 
| БЭН – 577 | 25 | 120 | 15…30 | 1,7 | 25 | 15 | Б/о | 40 | 600 | 
| БЭН – 594 | 136 | 41 | 100…156 | 4,0 | 10 | 22 | Ж | 130 | 870 | 
| БЭН – 595 | 10 | 100 | 3…12 | 2,5 | 16 | 11 | Ж | 180 | 950 | 
| БЭН – 596 | 30 | 290 | 10…35 | 3,0 | 40 | 75 | Ж | 190 | 920 | 
| БЭН – 608 | 3 | 20/19 | 2…4 | 1/1,8 | 100 | 1,1 | Б/о | 100 | 1000/800 | 
| БЭН – 609 | 100 | 32 | 65…110 | 3,5 | 50 | 11 | Ж | 257 | 796 |